商品属性
品牌灵安
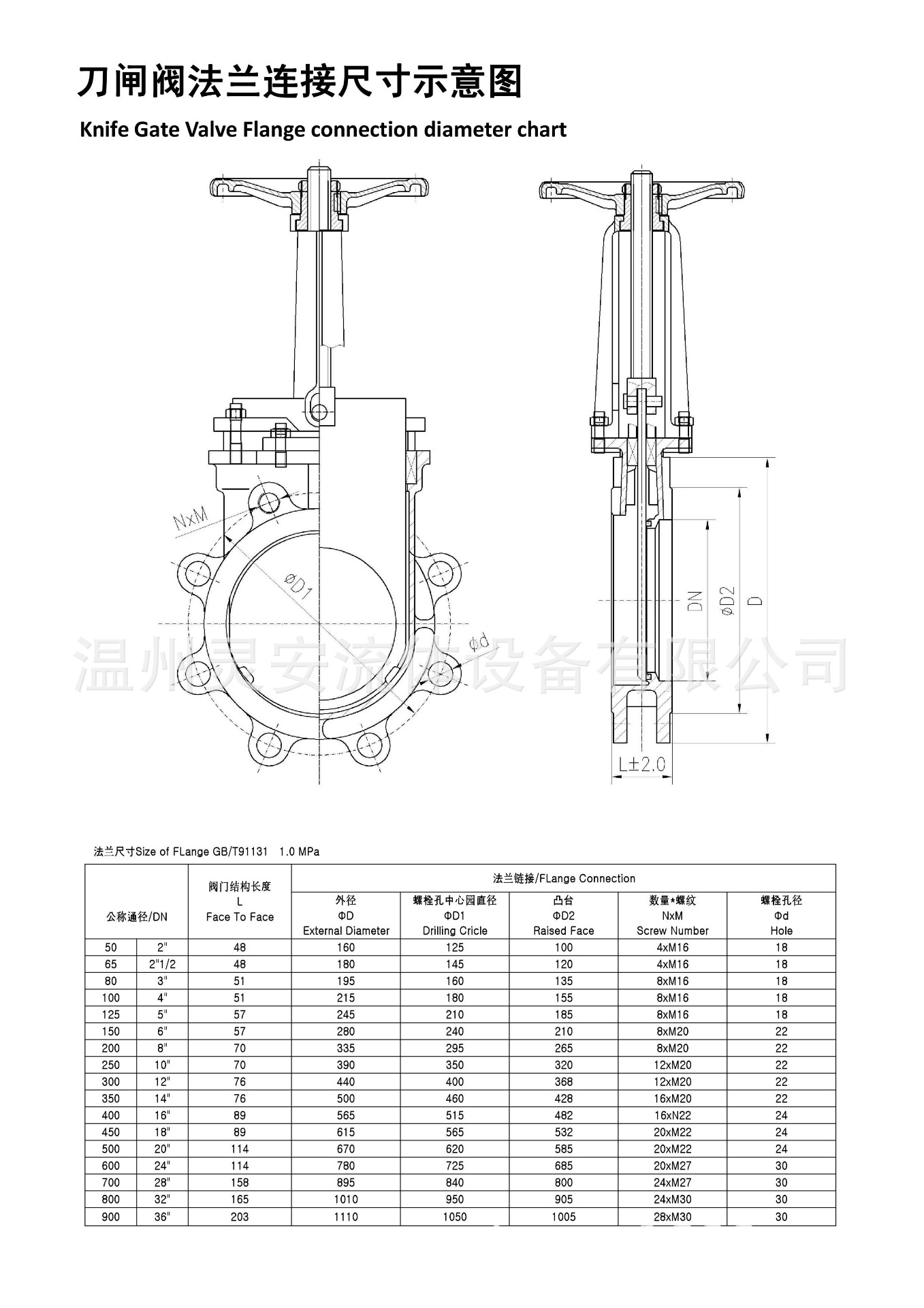
型号PZ73H/W-10C/P PZ43H/W-10C/P
连接形式对夹 法兰
主体材料铸钢 不锈钢 304 316 WCB
公称通径DN15-DN1000(mm)
适用介质纸浆 泥浆 酸碱介质 水油气
密封形式硬密封型
标准GB JIS DIN ANSI ASTM
外形大型
流动方向双向
驱动方式手动
零部件及配件阀体 密封 阀板
用途切断 放水
压力环境常压 PN10 PN16 PN25 PN40 PN64 PN100 150LB 300LB
工作温度常温 -30℃-250℃
类型(通道位置)直通
3C阀门类别工业
主要下游平台ebay,亚马逊,wish,速卖通,独立站,LAZADA
主要销售地区中国,欧洲,南美,东南亚,北美,东北亚,中东
有可授权的自有品牌是
是否跨境出口专供货源是
阀门性能特点高性能 耐用 寿命长
作用对象泵 空压机 各种管道设备
商品描述
一、灵安科技企业介绍和车间展示
灵安科技是一家专业研制开发、生产各类气动、电动阀门,以及隔膜阀、电动执行器、气动执行器,刀闸阀,V型调节阀,薄膜单座调节阀,球阀蝶阀的高科技企业;公司技术力量雄厚,生产工艺先进,检测设备完善,产品性能卓越,具有CAD开发设计和CIMS计算机网络管理能力,拥有加工中心,数控机床;并严格按照ISO9001国际质量管理体系生产、检验、销售和服务,确保产品质量。产品按ISO、DIN、3A、IDF、SMS、JIS、ANSI、ASTM、API和GB工业标准生产,质量完全符合规范要求。公司已为各行业提供了大量的气动角座阀、气动(电动)执行器、各种气动(电动)球阀、各种气动(电动)蝶阀及隔膜阀、刀闸阀、V型球阀、调节阀上万套。灵安科技的阀门及气动、电动执行器以质量和服务赢得了客户的信赖,专业致力于流体的控制系统及产品的运用与研发。依托先进技术,以高科技为先导,不断推出高品质产品。公司为用户咨询、设计、选型、安装、解决各种控制方案。始终坚持质量为本,用户至上的诚信经营理念,以可用性、可信性、可靠性为目标,创建灵安科技品牌。
1、产品介绍和图片




收藏 0
