商品属性
品牌
最大流量
最大扬程
泵体材质
法兰标准
驱动方式
商品描述


一、产品概述
ISW系列卧式单级单吸离心泵,是在吸收国内外同类产品先进技术的基础上,采用国内通用离心泵之性能参数,自行研制开发的新一代节能、环保卧式离心泵。该系列泵性能优、可靠性高、寿命长、结构合理、 外形美观。
二、主要用途:
1、ISW卧式清水泵,供输送清水及物理化学性质类似于清水的其他液体之用,适用于工业和城市给排水,高层建筑增压送水,园林喷灌,消防增压,远距离输送,暖通制冷循环、浴室等冷暖水循环增压及设备配套,使用温度T≤80℃。
2、ISWR卧式热水泵广泛适用于:冶金、化工、纺织、造纸、以及宾馆饭店等锅炉热水增压循环输送及城市采暖系统,ISWR型使用温度T≤120℃。
3、lSWH卧式化工泵,供输送不含固体颗料,具有腐蚀性,粘度类似于水的液体,适用于石油、化工、冶金、电力、造纸、食品制药和合成纤维等部门,使用温度为-20~C~+120℃。
4、lSWB卧式管道油泵,供输送汽油、煤油、柴油等用油类产品或易燃、易爆液体,被输送介质温度为一20~C~+120℃。
三、工作条件:
1、吸入压力≤1.6MPa,或泵系统高工作压力≤1.6MPa,即泵吸入口压力+泵扬程≤1.6MPa、泵静压试验压力为2.5MPa,订货时请注明系统工作压力。泵系统工作压力大于1.6MPa时应在订货时另行提出,以便在制造时泵的过流部分和联接部分采用铸钢材料。
2、环境温度<40℃,相对湿度<95%。
3、所输送介质中固体颗粒体积含量不超过单位体积的0.1%,粒度<0.2mm。
注:如使用介质为带有细小颗粒,请在订货时注明,以便厂家采用耐磨式机械密封。
四、产品特点:
运行平稳:泵轴的绝对同心度及叶轮优异的动静平衡,保证平稳运行,绝无振动。
滴水不漏:不同材质的硬质合金密封,保证了不同介质输送均无泄漏。
噪音低:两个低噪音轴承支撑下的水泵,运转平稳,除电机微弱声响,基本无噪音。
故障率低:结构简单合理,整机无故障工作时间大大提高。
维修方便:更换密封、轴承,简易方便。
占地更省:出口可向左、向右、向上三个方向,便于管道布置安装,节省空间。
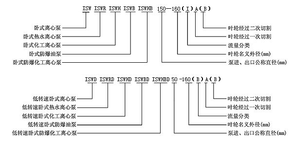
五、型号意义

六、ISW型卧式管道离心泵结构图
![]() | 1、吸入室:采用优秀水力模型设计而成。 |
七、故障原因及排除方法
| 故障现象 | 故障原因 | 排除方法 |
| 1、水泵不出水 | a、进出口阀门未打开,进出管路堵塞,流道叶轮堵塞。 b、电机运行方向不对,电机缺相转速很慢。 c、吸入管漏气。 d、泵没灌满液体,泵腔内有空气。 e、进口供水不足,吸程过高,底阀漏水。 f、管路阻力过大,泵选型不当。 | a、检查,去除堵塞物。 b、调整电机方向,紧固电机接线。 c、拧紧各密封面,排除漏气。 d、灌满液体并打开排气阀,排尽空气。 e、停机,检查、调整(并网自来水管或带吸程使用易出现此现象)。 f、减少管路弯道,重新选泵。 |
| 2、水泵流量不足 | a、先按1.原因检查。 b、管道、泵流道叶轮部分堵塞,水垢陈积,阀门开度不足。 c、电压偏低。 d、叶轮磨损。 | a、先按1.排除。 b、去除堵塞物,重新调整阀门开度。 c、稳压。 d、更换叶轮。 |
| 3、功率过大 | a、超过额定流量使用。 b、吸程过高。 c、泵轴承磨损。 | a、调节流量,关小出口阀门。 b、降低。 c、更换轴承。 |
| 4、杂音振动 | a、管路支撑不稳。 b、液体混有气体。 c、产生汽蚀。 d、轴承损坏。 e、电机超载发热运行。 | a、稳固管路。 b、提高吸入压力排气。 c、降低真空度。 d、更换轴承。 e、调整按5。 |
| 5、 | a、流量过大,超载运行。 b、碰擦。 c、电机轴承损坏。 d、电压不足。 | a、关小出口阀。 b、检查排除。 c、更换轴承。 d、稳压。 |
| 6、水泵漏水 | a、机械密封磨损。 b、泵体有砂孔或破裂。 c、密封面不平整。 d、安装螺栓松懈。 | a、更换。 b、焊补或更换。 c、修整。 d、紧固。 |
八、参数表





收藏 0

