商品属性
品牌
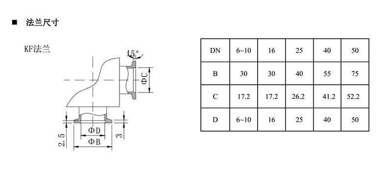
阀门标准
驱动方式
阀门作用
类型(通道位置)
压力环境
温度环境
流动方向
可配附件
适用介质
货号
型号
订货号
商品描述






















角阀 球阀 蝶阀
普通会员
品牌: |
未填 |
所在地: |
浙江 温州市 |
起订: |
≥1 件 |
供货总量: |
996 件 |
有效期至: |
长期有效 |
本网页所展示的有关【厂家批发 GD-Z型高真空挡板阀 真空手动直通阀 直通真空挡板阀_阀门_温州奥斯科阀门科技有限公司】的信息/图片/参数等由德茂源毅丰的会员【温州奥斯科阀门科技有限公司】提供,由德茂源毅丰会员【温州奥斯科阀门科技有限公司】自行对信息/图片/参数等的真实性、准确性和合法性负责,本平台(本网站)仅提供展示服务,请谨慎交易,因交易而产生的法律关系及法律纠纷由您自行协商解决,本平台(本网站)对此不承担任何责任。您在本网页可以浏览【厂家批发 GD-Z型高真空挡板阀 真空手动直通阀 直通真空挡板阀_阀门_温州奥斯科阀门科技有限公司】有关的信息/图片/价格等及提供【厂家批发 GD-Z型高真空挡板阀 真空手动直通阀 直通真空挡板阀_阀门_温州奥斯科阀门科技有限公司】的商家公司简介、联系方式等信息。
在您的合法权益受到侵害时,欢迎您向邮箱发送邮件,或者进入《网站意见反馈》了解投诉处理流程,我们将竭诚为您服务,感谢您对德茂源毅丰的关注与支持!